1998 Honda Civic Alarm Wiring Diagram

Honda Xr200 Wiring Diagram, Skygo150 Voltage Regulator for XR200/Actual Wiring/Honda XR200 Modified/Supermoto/DIY Garage PH, 10.03 MB, 07:18, 10,383, D I Y Garage PH, 2021-01-23T08:48:03.000000Z, 19, Iam looking for a 1982 honda xr200 wiring diagram, www.justanswer.com, 904 x 703, jpeg, wiring diagram 1982 honda xr200 xt200 yamaha manual iam motorcycle looking 1981 mechanic bikee wire, 20, honda-xr200-wiring-diagram, Anime Arts
Whether your an expert honda car alarm installer, honda performance fan or a novice honda enthusiast with a honda, a honda car alarm wiring diagram can save yourself a lot of time. One of the most time consuming tasks with installing an after market car alarm, car security, car remote start, automatic remote starter, shock. Honda car alarm wiring diagrams read more » Accord honda wiring 2003 diagram alarm interior stereo 2007 radio eod wire 2002 discussion end 1998 generation close take prostreetonline.
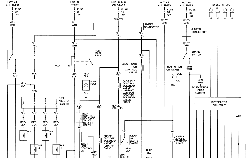
83 rowshonda wiring colors and locations for car alarms, remote starters, car stereos, cruise controls, and mobile navigation systems. Civic (std & pts) alarm/remote start. Please verify all wire colors and diagrams before applying any information. 1998 honda civic wiring diagram 1984 honda accord 4dr sedan wiring information. Radio wiring engine wiring ac wiring abs wiring. Listed below is the vehicle specific wiring diagram for your car alarm remote starter or keyless entry. The 1998 sedan honda civic has 3 different fuse boxes: Interior fuse box diagram. Abs fuse box diagram.
1998 Honda Civic Radio Wiring Diagram Database - Wiring Diagram Sample

98 Civic Wiring Diagram - Wiring Diagram Networks
1998 Honda Civic Ex Wiring Diagram - Fuse & Wiring Diagram
98 Honda Civic Radio Wiring Diagram Collection in 2020 | Honda accord, Honda civic, Honda

1998 honda civic vx 02 sensor wiring diagram | mike of the mountain | Flickr

Awesome 1998 Honda Civic Wiring Diagram in 2021 | Honda civic, Honda civic new, Civic

1998 Honda Civic Headlight Wiring Diagram - Page Supplier
21 1998 Honda Civic Wiring Diagram - Wiring Diagram Niche

17 Awesome 1998 Honda Civic Wiring Diagram
1998 Honda Civic Lx Wiring Diagram
